Classic Series 340 e-chain®

Discontinued Model
340.115.300.0 product image
igus-icon-lupe
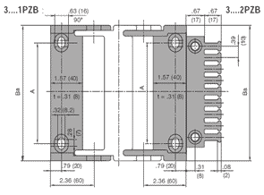
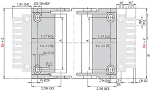
340.115.300.0 technical drawing
igus-icon-lupe
340.115.300.0 technical drawing
igus-icon-lupe
1 of 3
340.115.300.0 product image
340.115.300.0 technical drawing
340.115.300.0 technical drawing
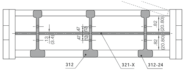
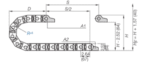
Inner height [Hi]
Inner height [Hi]
1.77 in (45 mm)
Max. cable diameter
Max. cable diameter
1.65 in (42 mm)
Opening principle
Opening principle
Openable from inner radius
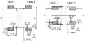
Inner width [Bi]
Inner width [Bi]
4.53 in (115 mm)
Bend radius [R]
Bend radius [R]
11.81 in (300 mm)

Consulting

I would be happy to answer your questions in person

Dan Thompson
Dan Thompson

igus-icon-phone+1 800 521 2747

Consultation and delivery

In person:
Monday - Friday: 7 am - 8 pm
Saturday: 8 am - 12 pm
Online:
Chat service
Monday - Thursday: 8 am - 6 pm
Friday: 8 am - 5 pm
WhatsApp service
Monday to Friday: 8am to 4pm