Change Language :
Ordering a complete system

Note:
You can find detailed information in the drawings below and also on the pages listed below. You can find more precise information on the floating bearing types within the construction rules.

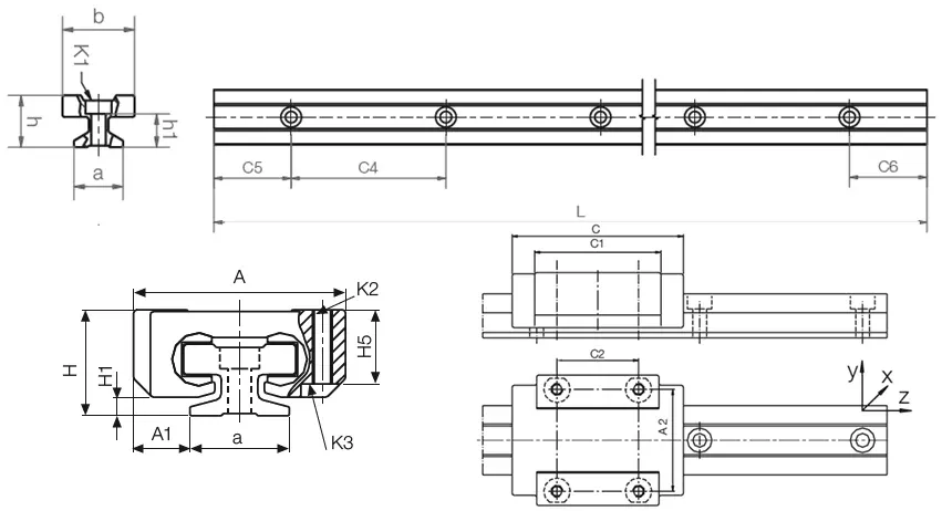
Guide rails
Part No.
Weight
[kg/m]
L
max.
a
-0,2
C4
C5
min.
C5
max.
C6
min.
C6
max.
h
h1
K1 for screw
DIN 912
b
ly
[mm4]
lz
[mm4]
Wby
[mm4]
Wbz
[mm4]
TS-04-07
0,08
2.000
7
15
5
12
5
12
5,5
3,7
M2
8
131
90
32
29
TS-04-09
0,11
2.000
9
20
5
14,5
5
14,5
6,3
4,6
M2
9,6
252
169
52
49
TS-04-12
0,20
2.000
12
25
5
17,0
5
17,0
8,6
5,9
M3
13
856
574
132
120
TS-04-15
0,33
3.000
15
40
10
29,5
10
29,5
10,8
7,0
M3
17
2.420
1.410
285
239
Standard hole pattern symmetrical C5: C6
Guide carriages
Part No.
Weight
[g]
H
±0,35
A
–0,2
C
±0,3
A1
±0,35
A2
C1
C2
H1
±0,35
H5
K2 thread
Tightening torque
max.
[Nm]
K3 for screw
DIN 912
TW-04-07
8
8
17
23
5
12
21
8
1,5
-
M2
0,25
-
TW-04-09
17
10
20
29
5,5
15
18
13
1,7
7,2
M2
0,25
M2
TW-04-12
34
13
27
34
7,5
20
22
15
2,2
9,5
M3
0,5
M2 (M3)
TW-04-15
61
16
32
42
8,5
25
31
20
2,8
11
M3
0,5
M2 (M3)
Carriage with adjustable clearance
Part No.
Weight
[g]
H
±0,35
A
–0,2
C
±0,3
A1
±0,35
A2
C1
C2
H1
±0,35
H5
K2 thread
K3 for screw
DIN 912
TWE-04-12
36
13
27
38
7,5
20
36
15
2,2
9,5
M3
M2 (M3)
TWE-04-15
61
16
32
45
8,5
25
31
20
2,8
11
M3
M2 (M3)