Here you can configure your Energy Chain System® individually. All entries will be copied to the Bill of Materials shown at the bottom of this page.
Series 200AG - Non-snap-open E-Chain®
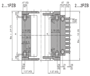
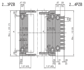
Molded-on glide shoes Auto-Glide for series 200. All 39.37 to 78.74 (1000 - 2000 mm) special polymer glide shoes are fitted on the side of the chain link. They provide exact lateral guiding and a smooth glide of the E-Chain®.
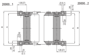
Inner widths Bi: 0.98 up to 4.92 (25 - 125 mm)
Bending radii R: 2.17 up to 4.92 (55 - 125 mm)
Pitch: 1.81 (46 mm) per link = 7 links/ft (22/m)