Here you can configure your Energy Chain System® individually. All entries will be copied to the Bill of Materials shown at the bottom of this page.
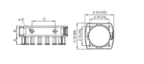
System Triflex® R Series TRC-70
1. Able to move multi-dimensionally - High degree of flexibility, even on the 6th axis.
Twist up to approx. ± 10° per link possible in longitudinal axis. This assists guiding
the cables and lines around difficult configurations
2. High tensile strength due to special ball-and-socket principle, enables flexible
movement along all axes
3. Impact-resistant, dirt-repelling, rugged and abrasion-resistant, smooth, rounded
exterior
4. Small bend radius & short pitch - Space-saving installation
5. Easy installation and dismantling - An injection molded component. No other
components (steel cables, spring suspensions etc.) are required
6. High stability - Due to outer stop dogs, defined stops for radius and torsion
7. Triflex® R-Set - compact module for all movements
on robots, which can be fixed on existing fastening points
8. Easy attachment onto the robot/machine reduces setup time