igus-icon-lupe
igus-icon-lupe
1 of 2
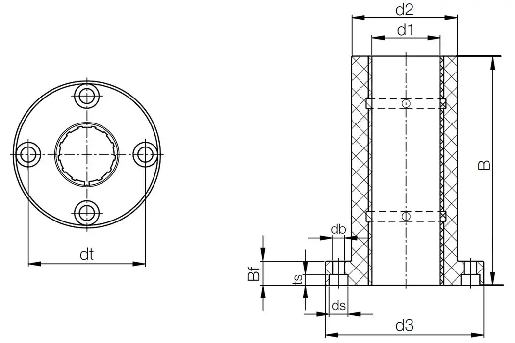
- Round flange twin pillow block, standard bearing use
- Liner made of iglide® J the versatile endurance runner, highly resistant to wear on (nearly) all shafts with very low coefficients of friction.
igus-icon-lieferzeit-dotFJUIT-01-12
19 (0.75 in)
