Change Language :

Note:
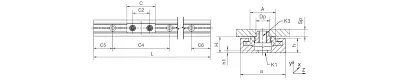
You can find detailed information in the drawings below and also on the pages listed below. You can find more precise information on the floating bearing types within the construction rules.


Guide rails
Part No.
L
max.
a
C4
C5
min.
C6
min.
h
h1
K1
ly
[mm²]
lz
[mm²]
Weight
[g/m]
NS-01-17(-AR)
2.000
17
60
20
49,5
5,5
0,9
Ø3,5
1.700
120
150
Guide carriages
Part No.
H
±0,35
A
C
C2
K3
Sp
Dp
Weight [g]
NW-02-17(-P)
6
9,6
20
14
M3
2,5
5,0
1,7
NW-22-17-30
6
9,6
30
18
M3
2,5
5,0
2,4
NW-22-17-40
6
9,6
40
28
M3
2,5
5,0
2,6