Change Language :


The next generation of lead screw driven linear axes with reduced installation height
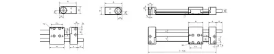
Flat structure through side lead screw assembly
Lead screw mounted on ball bearings
Easy, smooth and fast operation
Driven by motor or manually
Low-profile design 20 mm (size 12), 30 mm (size 15)
Corrossion-resistant
Low weight
Lifetime predictable
Variable lead screw pitch:
size 12: TR8x1.5 / SG8x10 / SG8x15size 15: TR12x3 / TR12x6P3 / SG12x25
Adjustable drylin® T miniature guide carriage
TWE-04-12 (size 12) or TWE-04-15 (size 15)
**Typical applications:**Automatic machinery, mechanical engineering, vending, medical device and lab engineering

More information:

Available ex stock