Change Language :

Self-lubricating smooth operation
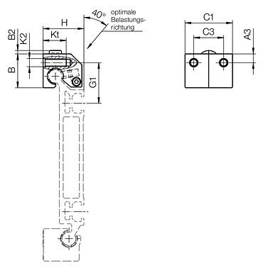
The drylin® W hybrid roller guide WSR combines function and design. In lateral installation position, doors, boards, shelves or monitors can be moved. And it is now even easier and with less effort. The combination of the optimized roller alignment of single/double rollers and integrated ball bearings (BB) reduces the coefficient of friction by half and is therefore ideal for all manual adjustments. The two roller bearing versions WJRM-31-10-BB and WJRM-41-10-BB supplement the modular system of the drylin® W hybrid roller guide.

Therefore we have developed the roller bearings WJRM-BB-31 & 41
The roller bearings WJRM-BB-31 & WJRM-BB-41 are designed to supplement our range of roller bearings.
They manage to reduce the coefficient of friction by half and we are particularly proud to build such a robust yet lightweight roller bearing.
We see these roller bearings especially in shop fittings, trade fair construction, office organisation, furniture construction as well as media and event technology. Beyond that, however, there are of course no limits to its use.